Jumat, 05 Februari 2010
Cara kerja motor 3 fasa :
* Motor 3 phasa akan bekerja/ berputar apabila sudah dihubungkan dalam hubungan tertentu.
* Mendapat tegangan (jala-jala/ power/ sumber) sesuai dengan kapasitas motornya.
1. Motor 3 fasa bekerja dengan 2 hubungan yaitu :
a. Motor bekerja Bintang/ Star
Berarti motor harus dihubungkan bintang baik secara langsung pada terminal maupun melalui rangkaian kontrol.

b. Motor bekerja segitiga /Delta (▲)
Berarti motor harus dihubungkan segitiga baik secara langsung pada terminal maupun melalui rangkaian kontrol. Kecuali mesin-mesin yang berkapasitas tinggi diatas 10 HP, maka motor tersebut wajib bekerja segitiga (▲) dan harus melalui rangkaian kontrol star delta baik secara mekanik, manual, PLC.

Dimana bekerja awal (start) motor tersebut bekerja bintang hanya sementara, selang berapa waktu barulah motor bekerja segitiga dan motor boleh dibebani.
Cara menghubungkan motor dalam hubungan bintang (Y) :
1. Cukup mengkopelkan/ menghubungkan salah satu dari ujung-ujung kumparan phasa menjadi satu.
2. Sedangkan yang tidak dihubungkan menjadi satu dihubungkan kesumber tegangan.
Cara menghubungkan motor dalam hubungan segitiga (▲) :
1. Ujung pertama dari kumparan phasa I dihubungkan dengan ujung kedua dari kumparan phasa III
2. Ujung pertama dari kumparan phasa II dihubungkan dengan ujung kedua dari kumparan phasa I
3. Ujung pertama dari kumparan phasa III dihubungkan dengan ujung kedua dari kumparan phasa II.
Mengapa motor harus dihubungkan dengan Star – Delta???
1. Beban dengan inersia yang tinggi/ besar akan menyebabkan waktu starting motor menjadi lama untuk mencapai kecepatan nominalnya.
2. Selama periode starting tersebut, maka pada stator dan rotor akan mengalir arus yang besar sehungga bisa terjadi pemanasan berlebih (overheating) pada motor
3. Lebih buruk lagi menyebabkan gangguan pada sistem jala-jala sumber listriknys sehingga akan menurunkan tegangannya. hal ini akan mengganggu beban listrik lainnya.
4. Untuk menghindari hal tersebut, suatu motor induksi seringkali di start dengan level tegangan yang lebih rendah dari tegangan nominalnya.
5. Pengurangan tegangan starting tersebut akan membatasi dayas yang diberikan ke motor, namun demikian disis lain pengurangan tegangan ini akan berdampak memperpanjang waktu/ periode starting (waktu yang dibutuhkan untuk mencapai kecepatan nominalnya).
2. Rangkaian System Kendali Elektromagnetik Pada Motor Induksi 3 Fasa
Rangkaian sederhana dengan menggunakan kontaktor magnet yaitu mengontrol sebuah motor listrik. Pengontrolan oleh kontaktor magnet menggunakan 2 rangkaian yaitu rangkaian kontrol dan rangkaian utama. Peralatan kontrol yang digunakan dalam pengoperasianya yaitu, MCB 3 fasa, TOR (Thermal Overload Relay), sakelar tekan ON/ OFF dan kontaktor.
Rangkaian kontrol merupakan rangkaian yang mengendalikan/ mengoperasikan rangkaian utama, sedangkan rangkaian utama merupakan aliran hubungan ke beban (motor 3 fasa). Rangkaian utama menggunakan kontak utama (1-3-5 dan 2-4-6) dari kontaktor magnet untuk menghubungkan/ memutuskan jaringan dengan motor listrik. Karena arus yang mengalir pada rangkaian utama relaitf lebih besar daripada rangkaian kontrol, maka pada rangkaian utama dilengkapi dengan TOR (Thermal Overload Relay) atau pengaman beban lebih dari hubung singkat ataupun beban yang lebih.
Pada rangkaian kontrol, arus yang mengalir relatif kecil. Rangkaian kontrol dilengkapi dengan sakelar tekan NO untuk tombol NP dan NC untuk tombol OFF. Karena menggunak open.an tombol (sakelar) tekan, maka pada tombol ON dibuat pengunci (sakelar bantu) dari kontak bantu kontaktor yang normally open.
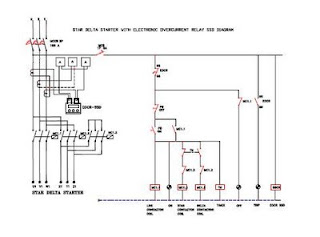
Gambar 3. Rangkaian System Kendali Elektromagnetik Pada Motor Induksi 3 Fasa
Gambar 4. Rangkaian System Kendali Elektromagnetik Pada Motor Induksi 3 Fasa Hubungan Bintang Segitiga
Hubungan Bintang
Tombol S2 di-ON-kan terjadi loop tertutup pada rangkaian koil Q1 dan menjadi energized bersamaan dengan koil Q2. Kontaktor Q1 dan Q2 energized motor terhubung bintang. Koil timer K1 akan energized, selama setting waktu berjalan motor terhubung bintang.
Hubungan Segitiga
Saat Q1 dan Q2 masih posisi ON dan timer K1 masih energized, sampai setting waktu berjalan motor terhubung bintang. Ketika setting waktu timer habis, kontak Normally Close K1 dengan akan OFF menyebabkan koil kontaktor Q1 OFF, bersamaan dengan itu Q3 pada posisi ON. Posisi akhir kontaktor Q2 dan Q3 posisi ON dan motor dalam hubungan segitiga. Untuk mematikan rangkaian cukup dengan meng-OFF-kan tombol tekan S1 rangkaian kontrol akan terputus dan seluruh kontaktor dalam posisi OFF dan motor akan berhenti bekerja. Kelengkapan berupa lampu-lampu indikator dapat dipasangkan, baik indikator saat rangkaian kondisi ON, maupun saat saat rangkaian kondisi OFF, caranya dengan menambahkan kontak bantu normally open yang diparalel dengan koil kontaktor dan sebuah lampu indicator.



0 komentar:
Posting Komentar
Terima Kasih